Array ( [cat_id] => 45 [cat_name] => 电力能源管理 [unique_id] => dianlinengyuanguanli [parent_id] => 0 [url] => http://www./product/dianlinengyuanguanli ) 光伏并网箱-ylg060net永利娱高
电能质量治理 电力能源管理 智能配电设备 机电传动自控 智慧数字电力 品牌战略授权
光伏并网箱

产品概述

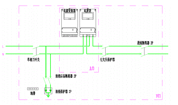
PXTF(GF)系列光伏并网箱主要用于分布式光伏电站项目的并网保护,适用于太阳能光伏并网发电系统,作用于光伏逆变器与升压变压器或者负载之间的电能转换、分配与控制之间,并网箱是户用光伏电站的必须配置,一般接在家用光伏逆变器出线端,对整个线路进行过欠压、过流、短路、漏电保护,同时内置计量电表对光伏并网电能进行计量。主要起到线路电气保护,电能计量以及过欠压保护三大作用,保障电网安全稳定运行的需要,产品结构设计灵巧,安装维护方便的并网接口设备。

性能特点

故障保护:当检测到系统出现过流、过压、短路等情况时,保护装置迅速向并网开关发出命令,让其跳闸迅速切除故障电路。

重复合闸:可选配检有压合闸、失压跳闸等功能,对光伏系统进行失压,欠压保护,及故障排除后自动合闸功能;

布局合理:功能区分清晰,电表位置有透明窗口方便观察防护等级高,能有效的防尘、防水及防止飞虫等异物进入箱体造成隐患;

智能控制:使用智能并网断路器提供电网、电压异常保护,当电网恢复正常后自动恢复供电,提高发电的可靠性。

结构布局:采用集成化设计理念,提供并网保护功能及预留电表安装位置。箱门需要专业钥匙开启,实现专业管理,也能防止窃电行为。

安装维护:采用壁挂式结构、体积小巧、安装方便,室内户外均可安装,支持485抄表方式由电力计算部门提供的计量表;

方案原理

设计依据

该产品符合IEC60439-1:1992《低压成套开关设备和控制设备第一部分:型式试验和部分型式试验成套设备》。

该产品符合GB 7251.1-1997《低压成套开关设备和控制设备第一部分:型式试验和部分型式试验成套设备》。

技术参数

 

额定工作电压Ue(V)

AC220V

成套设备的额定电流(InA)

系统容量6KW 以下时,I≤32;系统容量大于等于 6KW且小于 7KW时,I≤40

;系统容量大于等于7KW 时,I≤50

最大短路电流(kA)

6kA

输入极数

IP+NA

额定输出电压:(V)

AC220V

额定频率(Hz)

50

IP 等级

IP54,开门 IP20

防雷等级

C级防雷

安装方式

挂墙/支架安装

箱体材质

热镀锌钢板喷塑或不锈钢  

应用环境

本产品工作场所海拔不超过2000米,环境温度-25℃~+40℃,相对湿度:日平均不大于95%,月平均不大于90%。

本产品运行场所应具备无有害气体、可燃气体、蒸汽等污染,无导电性或者爆炸性尘埃,运行场所应无经常性的剧烈机械振动。

本产品避免长期在潮湿环境中放置,如受潮或者凝露,为避免短路,切忌第一时间通电试验,需在专业工程师指导下采取正确方法措施后进行故障排除。

上述为正常使用环境条件,如果实际使用环境不同于上述正常环境条件,由用户与制造厂协商解决。


型号含义

外观结构

标准选型

 

型号规格

长(mm)

高(mm)

宽(mm)

W

H

D

10~20KW

450

500

200

35-50KW

500

700

200

订货须知

电力系统图;

系统电压等级;

并网容量;

极相(单相/三相);

电表位(是/否预留)

外壳材质(冷轧钢板/不锈钢板)

使用环境(户内/户外)

负载性质;

特殊要求注明;

©2024 版权所有 ylg060net永利娱高